Zum Inhalt springen
Logo
  • Deutsch
    • Englisch

55 Matrix

  • Anschlussplan
  • Funktion »Heizen – Kühlen«
  • Einstellung der entsprechenden Parametrierung
  • Einstellung Solltemperatur
  • Einstellung Bediensperre
  • Einstellung Standby-Modus
  • Gerät ausschalten / einschalten
  • RMO (Betriebsmodus)
  • BOS (Boost)
  • PRG (Heizprogramm)
  • Heizprogramme einrichten
  • VAT (Temperatur Urlaubsmodus)
  • BRW / BRS (Helligkeit Display)
  • NET (WiFi einrichten)
  • DAT (Datum, Uhrzeit)
  • SWT (Sommerzeit / Winterzeit)
  • INS (Installateur)
  • CMO (Regelalgorithmus)
  • WEH (Heizungsart)
  • SMO (Sensor-Modus)
  • DIF (Hysterese)
  • ADP (Smart Start)
  • FLT (Temperaturbegrenzer Bodenfühler)
  • VAL (Wirksinn)
  • VPA / VPD (Ventilschutz)
  • TSS (Einheit Temperatur)
  • WMO (manuell Heizen / Kühlen)
  • CAR / CAF / CAE (Kalibrierung)
  • ALO / AHI (Sollwertbegrenzung)
  • FLO / FHI (Sollwertbegrenzung)
  • ELO / EHI (Sollwertbegrenzung)
  • ANT (Uhrzeit automatisch)
  • COL (Kühlen sperren)
  • FAC (Werksreset)
  • ESC (Beenden)
  • Alpha Smart App

55 Matrix Downloads

  • Downloads
View Categories
  • Systemauswahl
  • Alpha Regler direct
  • 55 Matrix
  • Anschlussplan

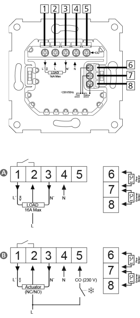
Anschlussplan

A Elektroheizung

B Wassergeführte Flächentemperierung

Klemme 6 / 7 Fußbodentemperatursensor

Klemme 7 / 8 Externer Raumtemperatursensor

Updated on Januar 13, 2026
Alpha Smart AppFunktion »Heizen – Kühlen«

© 2024 | 300724

  • Supportanfrage
  • Datenschutzerklärung
  • Impressum
  • Supportanfrage
  • Datenschutzerklärung
  • Impressum